Telefon
Telegram
WhatsApp
İnstagram
GD10-0R7G-S2-B 0,75KW 4,2A 230V AC SÜRÜCÜ

GD10-0R7G-S2-B 0,75KW 4,2A 230V AC SÜRÜCÜ

Yeni İndirimli

GD10-0R7G-S2-B 0,75KW 4,2A 230V AC SÜRÜCÜ

76,00 USD 152,00 USD

INVT GD10 SERİSİ 0,75KW 4,2A 230V AC DRİVER

Ürün Kodu : GD10-0R7G-S2-B
Kategori : Ac sürücüler, Invt ac sürücüler, Gd10 serisi
Etiketler : GD10-0R7G-S2-B , GD10 , INVT , 075KW , 750W
Stok : Sorunuz

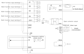
0,4KW İLE 2,2KW GÜÇ ARALIĞI 230V  5 DİGİTAL GİRİŞ 1 ANALOG GİRİŞ 0-10V*0-20mA  1 ANALOG ÇIKIŞ 0-10V*0-20mA 1 ROLE ÇIKIŞI 1 DİGİTAL ÇIKIŞ RS485 HABERLEŞME %150 YUKLENME   ( 60 SN ) %180 YUKLENME   ( 10 SN ) %200 YUKLENME   ( 3 SN )

İndirilebir Dosyalar

Teknik Döküman
E-Katalog

Sipariş Formu